MXT-OR-200
MXT
| Availability: | |
|---|---|
| Quantity: | |
Overview
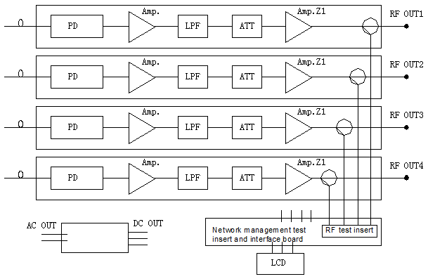
MXT-OR-200 series reverse optical receiver is designed for the realization of value-added services of CATV HFC two-way broadband network. For excellent photoelectric conversion performance, it is the prior-chosen product which is used to receive reverse optical signal at head-end.
Features
● Adopts high-quality photoelectric converter and low-noise RF amplifier module.
● Input wavelength range 1290~1650nm.
● 5-200MHZ operation bandwidth.
● High-reliability switching power supply which is characterized by wide scope of application of voltage.
● Most configured with four sets of independent optical receiver module, and each set is equipped with
optical receiver module and RF amplifier output module.
● 19″1U case.
Block diagram
Specifications
Items | Units | Specifications |
Optical | ||
Input wavelength range | nm | 1290~1650 |
Optical input power range | dBm | -15~+1 |
Optical return loss | dB | ≥50 |
RF | ||
Bandwidth | MHz | 5~200 |
RF output level | dBμV | ≥98@-7dBm |
Return loss | dB | ≥16 |
Flatness, peak-to-valley | dB | ≤±0.75 |
Power | ||
Power supply | V | AC110~265 |
Power consumption max. | W | 26 |
Physical | ||
Optical connector type | --- | FC/APC or SC/APC |
Dimension | mm | 483×330×41 |
Packing dimension | mm | 510×366×65 |
Gross weight | Kg | 5.4 |
Operating temperature | ℃ | -40~55 |