MXT-HA21
MXT
| Availability: | |
|---|---|
| Quantity: | |
Overview
MXT-HA21 series high power fiber amplifier adopts high-reliability multi-mode PUMP laser and double-clad fiber in core component. It adopts unique APC (automatic power control) and ATC (automatic temperature control) circuit to make output power keep high stability, good reliability. U01nique optical path design to ensure the excellent optical path index; And adopted high-stability and high-precision MPU (micro-processing unit) system is very convenient, reliable and intelligent to use, adjust and display.
MXT-HA21 series high power fiber amplifier adopts unique intelligent temperature-control system; Adopted special temperature-control chip can make the equipment heating volume reduce by 30% compared with conventional circuit. Special heat-dissipating fan channel design can ensure the perfect temperature stability, meanwhile powerful fan will start to work when the whole machine temperature is higher than 40℃, and will stop when temperature is lower than 36℃, which ensure the heat-stability of the system and long-life of fan.
MXT-HA21 series high power fiber amplifier is characterized by intelligent monitoring and management system. With Ethernet network management interface which is open to ensure that has connectivity with any network management system.
MXT-HA21 series high power fiber amplifier can be widely used in CATV optical transmission system, as well as FTTH required high power distribution system and access system.
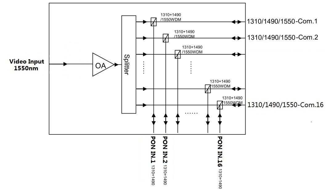
Block diagram
Feature
● 2U, 19″ standard container.
● Ultra-high power output, up to 10W total output power, one set can carry 3000~6000 pcs
optical nodes.
● Low noise figure, lower than 5dB when 0dBm input.
● Very low CSO deterioration: <-65 dBc.
● 4, 8, 16, 32, 64 multiple output ports optional.
● Large LCD display screen.
● Equipped-in network management responder complying to SNMP protocol, which can monitor and
control equipment remotely.
● Intelligent Temperature Control System: adopts special temperature control chip, heat dissipation
and power consumption reduce by 25% compared with conventional products.
● Output optical power 0.2~-4.0dB is adjustable, 0.1dB step, to facilitate network application
and equipment backup.
● Integration of 1310nm/1490nm/1550nm WDM.
● Can reduce the 98% device space usage.
● Can reduce 95% power consumption
Specifications
Item | Unit | Parameter | ||
OLT pass wavelength | nm | 1310/1490 | ||
OLT pass wavelength loss | dB | ≤-1.0 | ||
CATV & OLT isolation | dB | ≥40 | ||
CATV Working wavelength | nm | 1535~1565 | ||
CATV input optic power | dBm | -5~+10 | ||
Total output power | dBm | 27~33 | 34~37 | 38~40 |
Noise figure | dB | ≤5.0 | ≤5.5 | ≤6.0 |
Output port number | 4、8、16、32、64 | |||
Each port output power | dBm | 10~23 | ||
Output power adjustable range | dB | -4.0 to +0.2 | ||
Output power stability | dB | ≤±0.2 | ||
Return loss | dB | ≥45 | ||
Pump leakage power | dBm | ≤-30 | ||
Polarization relevant gain | dB | ≤0.3 | ||
Polarization membrane dispersion | Ps/nm | ≤0.5 | ||
Optic Connector | SC/APC,FC/APC or LC/APC | |||
Power Supply Voltage | V | AC110~265(50~60Hz)or DC48V | ||
Power Consumption | W | ≤55 | ≤120 | |
Working Temperature | ℃ | -5~+50 | ||
Max. Working Relevant Humidity | % | Max. 85%, no condensation | ||
Storage Temperature | ℃ | -40~+80 | ||
Outer size | mm | 483×440×88 | ||
Packing size | mm | 550×540×180 | ||
Net weight | Kg | 8.45 | ||
Total weight | Kg | 9.50 | ||
Product series
Model Number | Total output power | Number of output | Each port Output power | Optical connector |
MXT-HA2128-08 | 28dBm(0.63W) | 8 | 16.5 | SC/APC LC/APC |
MXT-HA2128-16 | 16 | 13 | SC/APC LC/APC | |
MXT-HA2129-08 | 29dBm(0.8W) | 8 | 17.5 | SC/APC LC/APC |
MXT-HA2129-16 | 16 | 14 | SC/APC LC/APC | |
MXT-HA2130-08 | 30dBm(1.0W) | 8 | 18.5 | SC/APC LC/APC |
MXT-HA2130-16 | 16 | 15 | SC/APC LC/APC | |
MXT-HA2131-08 | 31dBm(1.26W) | 8 | 19.5 | SC/APC LC/APC |
MXT-HA2131-16 | 16 | 16 | SC/APC LC/APC | |
MXT-HA2132-08 | 32dBm(1.6W) | 8 | 20.5 | SC/APC LC/APC |
MXT-HA2132-16 | 16 | 17 | SC/APC LC/APC | |
MXT-HA2132-32 | 32 | 13.5 | SC/APC LC/APC | |
MXT-HA2133-08 | 33dBm(2.0W) | 8 | 21.5 | SC/APC LC/APC |
MXT-HA2133-16 | 16 | 18 | SC/APC LC/APC | |
MXT-HA2133-32 | 32 | 14.5 | SC/APC LC/APC | |
MXT-HA2134-08 | 34dBm(2.5W) | 8 | 22.5 | SC/APC LC/APC |
MXT-HA2134-16 | 16 | 19 | SC/APC LC/APC | |
MXT-HA2134-32 | 32 | 15.5 | SC/APC LC/APC | |
MXT-HA2135-16 | 35dBm(3.2W) | 16 | 20 | SC/APC LC/APC |
MXT-HA2135-32 | 32 | 16.5 | SC/APC LC/APC | |
MXT-HA2136-16 | 36dBm(4.0W) | 16 | 21 | SC/APC LC/APC |
MXT-HA2136-32 | 32 | 17.5 | SC/APC LC/APC | |
MXT-HA2137-16 | 37dBm(5.0W) | 16 | 22 | SC/APC LC/APC |
MXT-HA2137-32 | 32 | 18.5 | SC/APC LC/APC | |
MXT-HA2138-16 | 38dBm(6.3W) | 16 | 23.0 | SC/APC LC/APC |
MXT-HA2138-32 | 32 | 19.5 | SC/APC LC/APC | |
MXT-HA2138-64 | 64 | 16 | LC/APC | |
MXT-HA2139-32 | 39dBm(7.9W) | 32 | 20.5 | SC/APC LC/APC |
MXT-HA2139-64 | 64 | 17.0 | LC/APC | |
MXT-HA2140-32 | 40dBm(10.0W) | 32 | 21.5 | SC/APC LC/APC |
MXT-HA2140-64 | 64 | 18.0 | LC/APC |
Order Information