MXT-OTR-8605
MXT
| Availability: | |
|---|---|
| Quantity: | |
Overview
MXT-OTR-8605 field optical node is the newest researched CATV network product. Its RF amplifier module adopts NXP GaAs amplifier module to ensure its high performance parameter and good reliability. With optical control AGC function, when input optical power is -6~+2dBm, output level keeps stable, it will make the equipment higher performance index and make CATV network project debugging ver convenient; meanwhile to transmit digital and analog signal. It is the optimization model in current HFC network system construction.
Features
● 1310nm and 1550nm dual-window receiving.
● Double output port design, high level output, effective to improve downlink covering capacity.
●Optical receiver, transmitter both adopts independent modular design, flexible combination, convenient application.
● High reliability switch power supply, small temperature rising, high conversion efficiency, wide voltage range.
● Each port equalization and attenuation is independently adjustable, convenient to use.
● Forward path with optical AGC function, AGC range is -6~+2dBm.
● Open network management transponder (I sort or II sort) component, to satisfy international network management standard.
● Each RF return port is designed reverse noise suppression tri-state switch and plug-in attenuator.
● Perfect surge suppression circuit, can be effective to prevent surge shock and lightning stroke.
● Equipped-in AC60V independent power port, easy to use.
● Good die-casting aluminum housing, dust-proof, waterproof, good shield and heat dissipation, easy to install.
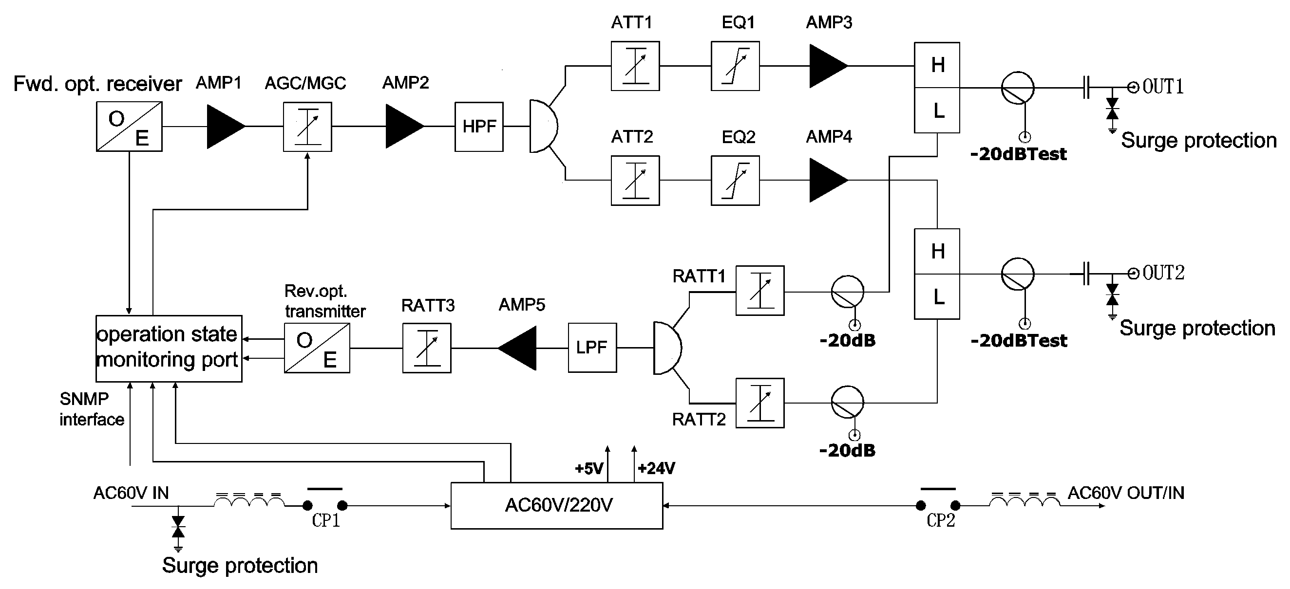
Block diagram
Specification
Forward path performance
Items | Units | Parameters |
RF output port | 2 | |
Receiving optical wavelength | nm | 1290~1600 |
Optical connector type | - | FC/APC or SC/APC |
Input optical power range | dBm | -8~+2 |
Optical control AGC input range | dBm | -6~+2 |
Optical return loss | dB | ≥50 |
In-band flatness | dB | ≤±0.75 |
Frequency range | MHz | 87~1000 |
RF output level | dBµV | ≥110 dBuV |
RF output impedance | Ω | 75 |
ATT adjusting range | dB | 0~20(1dB step) |
EQ adjusting range | dB | 0~18(1dB step) |
Output return loss | dB | ≥16 (87~550MHz) ≥14 (550~1000MHz) |
C/N | dB | ≥51(-1dBm receiving) |
C/CTB | dB | ≥65(-1dBm receiving) |
C/CSO | dB | ≥60(-1dBm receiving) |
Power voltage | V | AC40~90 or AC110~265 |
Power consumption | W | 42(Max) |
Operation temperature | ℃ | -25~+55 |
Outer size | mm | 320×220×130 |
Net weight | Kg | 3.3 |
Return path performance
Items | Units | Parameters | ||
Laser type | - | DFB | FP | |
Optical transmission wavelength | nm | 1310±20 | ||
1550±10 | ||||
Output optical power | mW | 1~3 | ||
Optical connector type | - | FC/APC or SC/APC | ||
Frequency range | MHz | 5~65 | ||
In-band flatness | dB | ≤±1.0 | ||
Input level | dBuV | 75~90 | ||
NPR dynamic range | dB | ≥20(NPR≥30dB) | ≥15(NPR≥30dB) | |
RF output impedance | Ω | 75 | ||