MXT-OTR-8601
MXT
| Availability: | |
|---|---|
| Quantity: | |
Overview
MXT-OTR-8601 field independent four-output optical node is bi-directional optical transmission equipment in CATV HFC network to realize head-end signal’s download and user signal’s return in one optical link. The function modular structure will take great convenience to usage, bi-directional network improvement and upgrade, as well as opening the value-added service. This designing supports IP phone, Internet, interactive data multiple service. It is broadband telecommunication optical node integrated with TV signal and data signal transmission.
MXT-OTR-8601 optical node featured with small volume, great function, beautiful appearance, perfect performance index, high output level and network management function.
Features
● Modular structure design, it can transmit CATV signal and open multiple data service, matched five
function modules at most, herein, one optical receiver module is necessary, others are optional. Two optical receiver modules can realize backup function; two return optical transmitter modules can realize four-output combination return; SNMP can monitor equipment’s multiple operation status.
● Optional status monitor is compatible with SCTE HMS standard.
● Four-output high level output can be up to 112dBuV, to ensure perfect optical link index in high level
output.
● equipped-in bi-directional filter, high-low pass dividing frequency is optional.
● Optical control AGC function design, to make output level keep stable when input optical power
-6/-4~+2dBm.
● Four digit highlight LED digital tube displays equipment’s each operation parameter
real-timely(optical power, output level, inner temperature, voltage).
● Delicate die-casting aluminum alloy housing, dacromet treatment, good heat dissipation, waterproof, radiation protection, and anti-interference.
● Hot plug type optical receiver module, return optical transmitter module and SNMP is convenient to upgrade for user.
● High reliability switch power supply, high conversion efficiency, wide voltage range, single/double
power supply optional, easy to use.
● Each channel can feed, with sole 60VAC feed port.
● Each channel with forward path output level and return path input level -20dBm monitoring port.
● Each channel forward path output level, return path input level is adjustable.
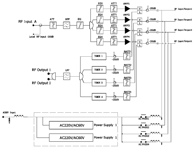
Block diagram
The top box
Bottom box
Specification
Forward Path Parameter
Items | Units | Parameters |
Optical feature | ||
Input optical power range | dBm | -8~+2 |
Optical control AGC range | dBm | -6/-4~+2 |
Optical receiving wavelength range | nm | 1100~1600 |
Optical connector type | - | FC/APC or SC/APC optional |
Fiber type | - | Single-mode fiber |
Optical connector return loss | dB | ≥50 |
RF feature | ||
RF frequency range | MHz | 87~1000 |
Output level(input optical power -1dBm) | dBuV | ≥112 |
Test point level | dB | -20±1 |
Output impedance | Ω | 75 |
Return loss | dB | ≥16((87~550));≥14(550~1000) |
In-band flatness | dB | ≤±0.75 |
RF connector | - | FL10 |
Link feature | ||
CNR(note) | dB | ≥52 |
CSO(note) | dB | ≥66 |
CTB(note) | dB | ≥67 |
Note: Configured 59 PAL-D analog TV channel signals in 550MHz frequency range, transmit digital modulation signal in 550MHz~862MHz frequency range, digital modulation signal level (8MHz bandwidth) is 10dB lower than analog signal carrier level, test C/CTB, C/CSO and C/N when optical receiver input optical power is -1dBm, 87~1000MHz slope 8dB. | ||
Reverse Path Parameter
Items | Units | Parameters | Remarks | ||
Laser type | —— | DFB laser | FP laser | ||
Output optical wavelength | nm | 1310±20 | |||
1550±10 | |||||
Output optical power | dBm | ≥0 | |||
RF input frequency range | MHz | 5~65 | |||
RF input signal level | dBuV | 75~85 | Indicating total power added to optical node return path RF signal input port | ||
Output optical power stability | dB | ±1.0 | |||
Link flatness | dB | ≤±1.0 | Indicating return path optical transmitter and return path optical receiver combined link index | ||
RF input return loss | dB | ≥16 | |||
RF input impedance | Ω | 75 | |||
Optical connector type | - | FC/APC or SC/APC | |||
Noise to power ratio(NPR) dynamic range | dB | ≥20 (NPR≥30dB) | ≥15 (NPR≥30dB) | Indicating return path optical transmitter and return path optical receiver combined link index | |
General Parameter
Items | Units | Parameters |
Power supply | ||
Voltage input range | VAC | 40~90 or 110~264 |
Power consumption | W | Typical 60, max.75 |
Others | ||
Operation temperature | ℃ | -25~55 |
Storage temperature | ℃ | -40~70 |
Relative humidity | % | 15~95% no condensation |
Weight | Kg | 8.5 |
Outer size | mm | 400(L)×232(W)×162(H) |