MXT-OTP3000
MXT
| Availability: | |
|---|---|
| Quantity: | |
Overview
MXT-OTP3000 is a kind of wideband opto-electricity transmission platform, which is characterized by good generality, high installation density, powerful function, flexible combination and various telecommunication management modes. The platform basic configurations are fan cooling configuration, status display and monitor unit, and single power supply module. There are several application modules optional, including forward optical transmission, forward optical receiving, reverse optical receiving, EDFA, optical switch, RF switch,, forward driving amplifying and power supply module.
Features
● 19” (3RU) standard chassis, it can save space and be easy to install.
● Each chassis has 12 slots with completely same function and shape, and each application module can be installed randomly.
● Open-rack design and the overall duct-type design of application module can be easy to dissipate
heat in maximum, to improve the unit’s reliability.
● Post-cooling fan can be no stopping to exchange in the scene so as to repair and maintain.
● Intelligent status focuses on monitoring units, real-timely monitors each module’s operation
parameter inside the rack, and realizes automatic sound and light alarm in sudden fault.
● Standard RJ45 network management telecommunication interface, which can be easy to realize
remote central monitor.
1.PS250 power supply module
Features
PS250 series power supply is a high-reliability power supply system of latest switch power structure, which has small volume, high efficiency energy conversion, small interference harmonic and large output power characteristics. The input power can be converted into +24DC, +5DC and -5DC and provide to a system rack application module for use. It can be configured two PS250 power supply modules at most inside the rack to operate in the mode of online hot backup.
Technical index
Input parameter | Input voltage | Maximum. current | ||
AC 176V~264V(50Hz)or DC48V | 2A | |||
Output parameter | Output voltage | Maximum current | AC ripple | Voltage stability |
+24V | 8A | 50mVp-p | ±1%(load changing range: 10%~100%, voltage changing range: AC 160V~265V.) | |
+5V | 12A | 50mVp-p | ||
-5V | 6A | 50mVp-p | ||
General features | Operation temperature | Storage temperature | Relative humidity | |
-20℃~+55℃ | -40℃~+65℃ | Maximum 95% non-condensation | ||
2. OA series EDFA module
Features
● Adopts 980nm pump laser and high-performance erbium doped fiber
optimized combination, with low noise figure and good stability.
● With output optical power adjustable function, 4dB output power adjustable
range, 0.1dB adjusting step, easy to debug and equipment backup.
● The whole unit status and pump laser operation status adopts tricolor
LED auxiliary instruction separately.
● Push-pull type module design, small and compact appearance, flexible
and convenient loading and unloading.
● The duct-type design of whole housing improves the unit’s reliability greatly.
Main technical index
Series No. | Items | Units | Technical parameter |
1 | The rated output optical power | dBm | 13~22 |
2 | Input optical power range | dBm | -3~+10 |
3 | Operation wavelength | nm | 1530~1562 |
4 | Noise figure | dB | ≤5 |
5 | Optical connector type | SC/APC or FC/APC |
3. FTX series forward optical transmission module
Features
● Optional high-performance DFB laser, narrow spectral line, good linearity
and high output power (the maximum output power can be up to 30mW).
● Both main input and auxiliary input RF input port are in behind, the signal
isolation between auxiliary input port and main input port is greater than 40dB.
● Power supply, laser operation status and RF driving level status adopt
tricolor LED auxiliary instruction separately.
● Built-in changeable attenuator, RF driving level of laser can be adjusted manually or automatically.
● Advanced multi-frequency RF pre-distortion technology, all RF GaAs components and complete SMT structure improve the most important CTB and CSO index of CATV system efficiently, which makes C/N index get large improvement.
● Plug-in type module design, small and compact appearance, flexible and convenient loading and unloading.
● The whole housing of duct-type design improves the unit’s reliability greatly.
Block diagram
Main technical index
Series No. | Items | Units | Technical parameter |
1 | Frequency range | MHz | 47~862 |
2 | Output optical wavelength | nm | 1310±10 |
3 | Output optical power | mW | 4~30 |
4 | RF input level (main input port) | dBuV | 75~85 |
5 | In-band flatness | dB | ±0.5 |
6 | C/N | dB | 51 |
7 | C/CSO | dB | 60 |
8 | C/CTB | dB | 65 |
9 | Optical connector type | SC/APC or FC/APC |
4. FRRX series forward optical receiving module
Features
● RF output level of +4dB~-11.5dB, optional manual adjusting or automatic
control function, and tricolor LED auxiliary instructing its operation status.
● Two optical receiving modules can be redundant backup receiver.
● RF output channel can be on or off through either manual control or
network management software remote control.
● Plug-in type module design, small and compact appearance, flexible and
convenient loading and unloading.
● The unit chassis of duct type design improves the unit’s reliability great.
Main technical index
Series No. | Items | Units | Technical parameter |
1 | Optical receiving wavelength range | nm | 1100~1600 |
2 | Input optical power range | dBm | +3~-5 |
3 | Bandwidth | MHz | 47~862 |
4 | RF output level | dBuV | ≥98 |
5 | Manual output level adjusted range | dB | +4~-11.5 |
6 | In-band flatness | dB | ±0.5 |
7 | C/N | dB | ≥52 |
8 | C/CSO | dB | >65 |
9 | C/CTB | dB | >70 |
10 | Optical connector type | SC/APC or FC/APC |
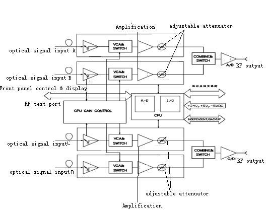
5. 4RRX series four-way reverse optical receiving module
Features
● Each standard module contains four-way separate reverse return
optical receiving channel, and mixed into two-way RF output, which can
be composed of four-way separate receiver or two pairs of mutual
backup receiver for the subscriber to select.
● Optical link loss automatic compensation or output level manual
control can be optional, optical input power changes 15dB, RF output
level unchanged.
● Four-way optical signal receiving power status separately adopts tricolor LED auxiliary instruction.
● 30dB output level manual adjusting range.
● Plug-in type module design, small and compact appearance, flexible and convenient loading and unloading.
● The unit chassis duct type design improves the unit’s reliability greatly.
Block diagram
Main technical index
Series No. | Items | Units | Technical parameter |
1 | Input optical wavelength range | nm | 1200~1600 |
2 | Input optical power range | dBm | -26~+4 |
3 | Bandwidth | MHz | 5~200 |
4 | Frequency response flatness | dB | ±0.75 |
5 | Output level adjusting range | dB | +10~-20 |
6 | Output level | dBuV | 95 |
7 | Noise-power ratio (NPR) dynamic range | dB | ≥20(NPR≥30) |
8 | Input optical power display range | dBm | +4~-26 |
9 | Optical connector type | SC/APC |
6. OFS series optical switching switch module
Features
● Switching power threshold value can be adjusted in a larger range, the subscriber can adjust it
in -12~+2dBm.
● The unit status, two-way input optical signal status separately adopts tricolor LED
auxiliary instruction.
● Plug-in type module design, small and compact appearance, flexible and convenient loading
and unloading.
● The unit chassis duct type design improves the unit’s reliability greatly.
Main technical index
Series No. | Items | Units | Technical parameter |
1 | Operation optical wavelength | nm | 1310±20 or 1550±20 |
2 | The maximum output optical power | dBm | 26 |
3 | Insertion loss | dB | ≤1.5 |
4 | Switching time | ms | 25 |
5 | Switching power threshold | dB | The subscriber can adjust it in -12~+26 dBm |
6 | Control type | dB | Automatic control, manual control, remote control |
7 | Optical connector type | SC/APC or FC/APC |